
傳真:
18923864027
QQ:
709211280
地址:
深圳市福田區振中路84號愛華科研樓7層
MOSFET的結構與閾值電壓介紹首先我們先了解什么是MOSFET?全稱是金屬氧化物半導體場效應管(Metal-Oxide-Semiconductor Field Effect Tran
音圈電機驅動電路介紹控制信號從單片機的DAC接口取出,經過一級放大電路放大兩倍,由一個限壓二極管把電壓限制在1V防止異常信號放大后燒毀
三相三電平PFC電路的工作原理介紹圖 1 三相無中線三電平PFC拓撲圖電路圖說明:1 A1、B1、C1是三相交流輸入,L110、L111、L112是Boost電
半波倍壓整流電路的工作原理介紹通常情況下的三極管(或者MOS管)驅動電路如下所示,使用LED代替負載(例如電機或者其他等),當三極管基極的控
雙向開關無橋PFC電路的工作原理介紹圖1 雙向開關無橋PFC電路拓撲電路圖說明:Q1、Q2組成雙向開關,D1、D2為快恢復二極管,D3、D4為慢恢復
場效應管,可控硅的典型驅動電路介紹場效應管和可控硅驅動電路是有本質上的差異,首要場效應管通常分為結型場效應管和絕緣柵型場效應管,可
緩啟動電路實例分析和應用介紹本文根據某產品單板電路測試過程的浪涌電流沖擊問題,詳細分析了MOS管緩啟動電路的RC參數,通過分析和實際對
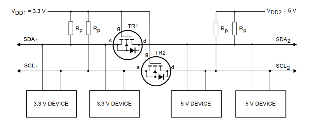
IIC總線雙向電平轉換電路的工作原理介紹在IIC主從設備連接時,需要考慮主從設備的電平情況,常規的主要有3種:5V、3 3V、1 8V,如果電平相
兩種電壓轉電流電路解析電壓 電流轉換即V I轉換,是將輸入的電壓信號轉換成滿足一定關系的電流信號。轉換后的電流相當一個輸出可調的恒流源
同步buck電路解析下面圖一是一個典型的降壓電路,D1是續流二極管,當D1導通的時候,D1的正向壓降是比較大的,如果輸出是5V或者是3 3V的電壓
開關電源buck電路SW點測量實例介紹對于絕大部分buck芯片而言其上下兩管都集成到芯片內部,那么該如何觀測兩管的工作狀況呢?實際應用中我們
電機控制器中的功率MOS驅動電路設計介紹通用MCU或DSP的IO電壓通常是5V3 3V,IO的電流輸出能力在20MA以下,不足以直接驅動功率MOSFET。所以