該電路一般用于輸入線電壓為380V的三相整流模塊的DC-DC變換電路。對于此類整流模塊,母線電壓一般在800V左右。如果DC-DC變換電路依舊采用單個的兩電平LLC電路,DC MOS管必須采用1200V耐壓的MOS管。當前市面上這種MOSFET較少,且價格都很貴。另外,常規的1200V高壓MOSFET,其導通電阻比600V MOSFET的Rds(on)高,不容易實現高效率的要求。選擇ISOP交錯并聯LLC拓撲,就可以繼續采用600V的MOS管,型號豐富,成本低,且模塊效率高。


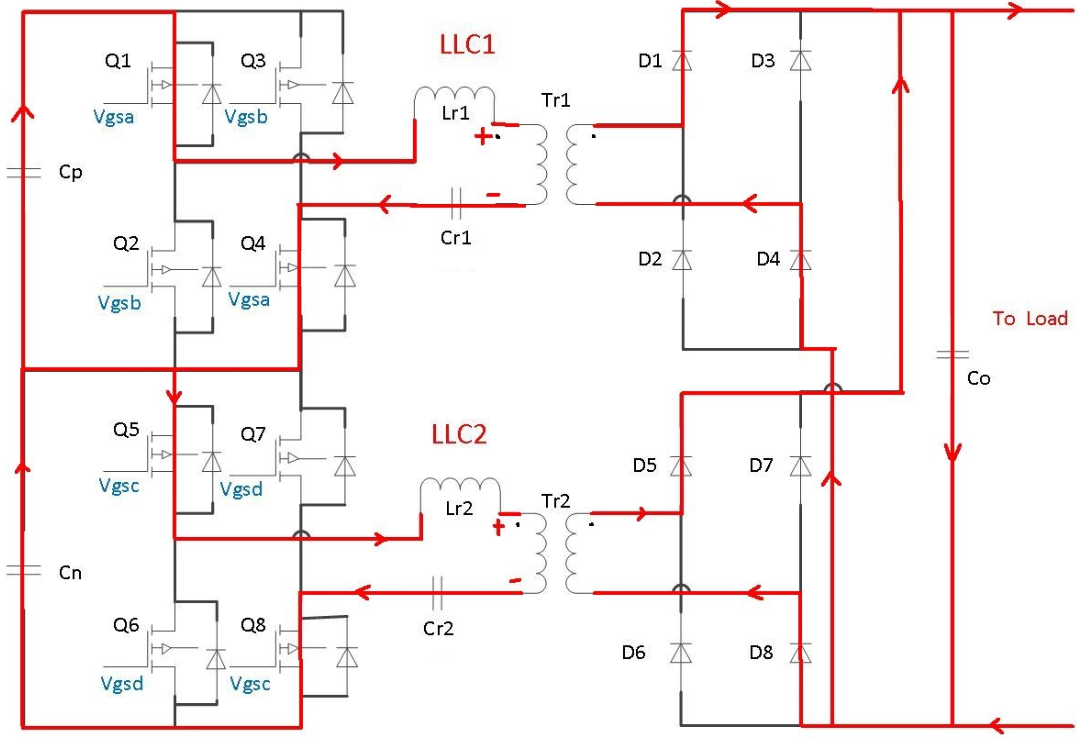
圖1 交錯并聯全橋LLC拓撲主電路
如圖1所示,該拓撲由2個全橋LLC電路(LLC1和LLC2)組成。其中,LLC1由
Cp/Q1~Q4/Cr1/Lr1/Tr1/D1~D4組成,LLC2由Cn/Q5~Q8/Cr2/Lr2/Tr2/D5~D8組成。LL1和LLC2在變壓器原邊串聯,在變壓器副邊并聯,組成ISOP結構。
圖1中,Q1-Q8的驅動電壓為Vgsa/Vgsb/Vgsc/Vgsd。四個驅動電壓的頻率相同,占空比均為0.475(PFM態時,考慮500ns死區)。在控制上,Vgsa/Vgsb為互補發波,Vgsc/Vgsd為互補發波。LLC1的PWM發波,比LL2要超前或滯后1/4個PWM周期,以達到交錯控制的目的。超前1/4個周期時的發波情況如圖2所示。


圖2 ISOP交錯并聯全橋LLC拓撲的發波情況
與圖2中的發波對應,流過LLC1諧振電感的電流,要比流過LLC2諧振電感的電流超前90度。通過整流后,兩路LLC的副邊整流二極管輸出電流,相位相差了90度。實際副邊整流出來的總電流波形,是兩個LLC副邊整流波形之和。仿真得出的整流二極管輸出電流的仿真波形如圖3紅色波形所示。


圖3 單邊LLC和整個拓撲的副邊整流二極管輸出電流波形情況
圖3中,is_llc1和is_llc2分別為LLC1的副邊二極管輸出電流波形,is該拓撲的副邊整流二極管輸出的總電流。在任何時刻,is的值等于is_llc1和is_llc2之和。從圖中可見,相較于單路LLC的副邊電流波形,交錯并聯拓撲得出的副邊電流波形,其電流紋波小得多。因而,可以省掉輸出差模電感,降低輸出濾波器的體積,進一步提高效率。
這里以fs>fr為例,來說明交錯并聯拓撲的工作過程。圖5是267.5V/滿載輸出時的DCDC拓撲仿真波形。


圖5 267.5V/滿載輸出時的DCDC拓撲仿真波形
圖5中,i_lr_llc1和i_lr_llc2分別為流過LLC1和LLC2諧振電感的電流,i_lm_llc1和i_lm_llc2分別為流過LLC1和LL2主變勵磁電感的電流,is_llc1和is_llc2分別為LLC1和LLC2副邊整流二極管輸出的電流;is為所有副邊二極管輸出的總電流。下面分模態描述交錯并聯拓撲的工作狀態。
Model 1(T0-T1):
對于LLC1,T0時刻,Q2/Q3關斷,原邊電流沿著Q1/Q4的反向體二極管續流。在T0-T1期間,原邊諧振電流i_lr_llc1大于主變的勵磁電感電流i_lm_llc1,i_lr_llc1給母線電容/勵磁電感充電,同時向副邊提供能量,副邊的D2/D3導通。i_lr_llc1作為提供能量的源頭,電流快速下降,而i_lm_llc1依舊在線性上升。
對于LLC2,T0-T1時間段內,都是Q2/Q3導通,D6/D7導通,原邊向副邊傳遞能量。


圖6 T0-T1時間段內的電流流向示意圖
Model 2(T1-T2):
對于LLC1,到T1時刻,i_lr_llc1下降到等于i_lm_llc1,此時副邊的D2/D3過零關斷。在T1-T2期間,勵磁電感電流i_lm_llc1線性下降,勵磁電感給副邊提供能量,D1/D4導通。由于Lm不參與諧振,原邊電流依舊按照諧振頻率的正弦波形下降,通過Q1/Q4的體二極管給母線電容充電,并將Q1/Q4對應的Cds體電容反向充至0V,將Q2/Q3的體電容充至母線電壓。
對于LLC2,T1-T2時間段內,都是Q2/Q3導通,D6/D7導通,原邊向副邊傳遞能量。


圖7 T1-T2時間段內的電流流向示意圖
Model 3(T2-T3):
對于LLC1,到T3時刻,Q1/Q4開通。由于此時諧振電流依舊為負,Q1/Q4的體二極管在續流,Q1/Q4實現零電壓開通(ZVS)。在T2-T3期間,勵磁電感Lm一直在向副邊傳遞能量,不參與諧振。原邊電流依舊按照諧振頻率的正弦波形變化。
對于LLC2,T2-T3時間段內,都是Q2/Q3導通,D6/D7導通,原邊向副邊傳遞能量。


圖8 T2-T3時間段內的電流流向示意圖
Model 4(T3-T4):
LLC1的工作狀態,類似于Model 1的LLC2的工作模態,但開關管狀態與之對稱,如下圖所示;
LLC2的工作模態,和Model 1的LLC1的工作模態相同;


圖9 T3-T4時間段內的電流流向示意圖
Model 5(T4-T5):
LLC1的工作狀態,類似于Model 1的LLC2的工作模態,但開關管狀態與之對稱,如下圖所示;
LLC2的工作模態,和Model 1的LLC1的工作模態相同;


圖10 T4-T5時間段內的電流流向示意圖
LLC1的工作狀態,類似于Model 1的LLC2的工作模態,但開關管狀態和電流流向與之對稱,如下圖所示;
LLC2的工作模態,和Model 1的LLC1的工作模態相同;


圖11 T5-T6時間段內的電流流向示意圖
至于T6-T7/T7-T8/T8-T9的工作模態,分別與Model1/Model2/Model3類似,但全部開關管狀態和電流流向與之對稱;T9-T10/T10-T11/T11-T12的工作模態,分別與Model4/Model5/Model6類似,但全部開關管狀態和電流流向與之對稱。這里不再詳細分析。
從上述波形和分析可知,LLC1和LLC2確實是各自獨立工作,互不影響。
〈烜芯微/XXW〉專業制造二極管,三極管,MOS管,橋堆等,20年,工廠直銷省20%,上萬家電路電器生產企業選用,專業的工程師幫您穩定好每一批產品,如果您有遇到什么需要幫助解決的,可以直接聯系下方的聯系號碼或加QQ/微信,由我們的銷售經理給您精準的報價以及產品介紹
聯系號碼:18923864027(同微信)
QQ:709211280

