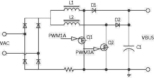
1.電感電流負1A檢測


2.PFCMOS管Vds檢測
通過調節頻率使PFC電感電流在每個高頻周期過零,以實現PFC二極管的零電流關斷,消除反向恢復損耗。PFC二極管電流過零后,PFC電感與MOSFET寄生電容諧振,使Vds過零以實現零電壓開通,不過零則谷底開通,降低開關損耗。


3. 不檢測,DSP直接計算
〈烜芯微/XXW〉專業制造二極管,三極管,MOS管,橋堆等,20年,工廠直銷省20%,上萬家電路電器生產企業選用,專業的工程師幫您穩定好每一批產品,如果您有遇到什么需要幫助解決的,可以直接聯系下方的聯系號碼或加QQ/微信,由我們的銷售經理給您精準的報價以及產品介紹
〈烜芯微/XXW〉專業制造二極管,三極管,MOS管,橋堆等,20年,工廠直銷省20%,上萬家電路電器生產企業選用,專業的工程師幫您穩定好每一批產品,如果您有遇到什么需要幫助解決的,可以直接聯系下方的聯系號碼或加QQ/微信,由我們的銷售經理給您精準的報價以及產品介紹聯系號碼:18923864027(同微信)
QQ:709211280

