tp4056充電管理芯片
TP4056是一種常用的單節鋰電池恒定電流/恒定電壓線性充電管理芯片,它采用線性充電模式,可通過微USB接口供電,并具有過流、短路保護等多種安全機制。其底部帶有散熱片的SOP8/MSOP8封裝與較少的外部元件數目使得TP4056成為便攜式應用的理想選擇。TP4056被廣泛應用于各種小型便攜式電子設備中,例如手機、平板電腦、手持游戲機等。


tp4056引腳功能
TEMP(引腳 1):電池溫度檢測輸入端。將TEMP 管腳接到電池的 NTC 傳感器的輸出端。如果TEMP 管腳的電壓小于輸入電壓的45%;或者大于輸入電壓的 80%,意味著電池溫度過低或過高,則充電被暫停。如果 TEMP 直接接 GND,電池溫度檢測功能取消,其他充電功能正常。
PROG(引腳 2):恒流充電電流設置和充電電流監測端。從 PROG 管腳連接一個外部電阻到地端可以對充電電流進行編程。在預充電階段,此管腳的電壓被調制在 0.1V;在恒流充電階段,此管腳的電壓被固定在 1V。在充電狀態的所有模式,測量該管腳的電壓都可以根據下面的公式來估算充電電流:


GND(引腳 3):電源地。
Vcc(引腳 4):輸入電壓正輸入端。此管腳的電壓為內部電路的工作電源。當 Vcc與 BAT 管腳的電壓差小于 30mV 時,TP4056將進入低功耗的停機模式,此時 BAT 管腳的電流小于 2uA。
BAT(引腳 5):電池連接端。將電池的正端連接到此管腳。在芯片被禁止工作或者睡眠模式,BAT 管腳的漏電流小于 2uA。BAT管腳向電池提供充電電流和 4.2V 的限制電壓。
STDBY(引腳 6):電池充電完成指示端。當電池充電完成時被內部開關拉到低電平,表示充電完成。除此之外,管腳將處于高阻態。(原理圖中LED2點亮,LED1熄滅)。
CHRG(引腳 7):漏極開路輸出的充電狀態指示端。當充電器向電池充電時,管腳被內部開關拉到低電平,表示充電正在進行;充電完成后管腳處于高阻態。(原理圖中LED2熄滅,LED1點亮)。
CE(引腳 8):芯片始能輸入端。高輸入電平將使 TP4056 處于正常工作狀態;低輸入電平使 TP4056 處于被禁止充電狀態。CE 管腳可以被 TTL 電平或者 CMOS 電平驅動。
tp4056特點
1、高達1000mA的可編程充電電流
2、無需MOSFET、檢測電阻器或隔離二極管
3、用于單節鋰離子電池、采用SOP封裝的完整線性充電器
4、恒定電流/恒定電壓操作,并具有可在無過熱危險的情況下實現充電速率最大化的熱調節功能
5、精度達到±1%的4.2V預設充電電壓
6、用于電池電量檢測的充電電流監控器輸出
7、自動再充電
8、充電狀態雙輸出、無電池和故障狀態顯示
9、C/10充電終止
10、待機模式下的供電電流為55uA
11、2.9V涓流充電
12、軟啟動限制了浪涌電流
13、電池溫度監測功能
14、采用8引腳SOP-PP封裝
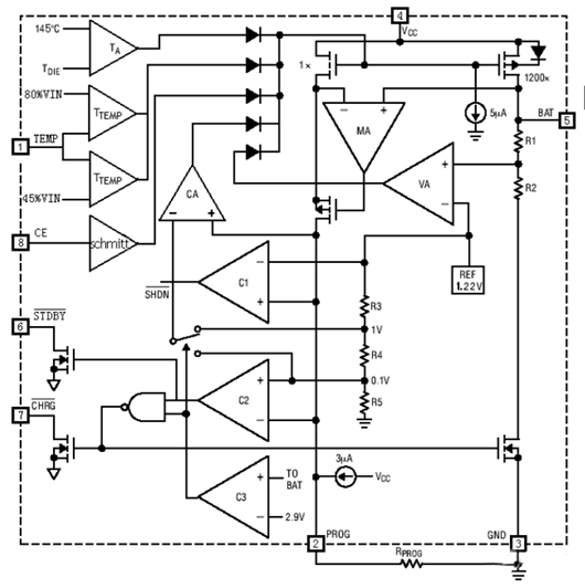
tp4056充電過程分析
內部電路框圖如下:


芯片采用了內部 PMOSFET 架構,加上防倒充電路,無需增加外部隔離二極管。熱反饋可對充電電流進行自動調節,以便在大功率操作或高環境溫度條件下對芯片溫度加以限制。充電電壓固定于 4.2V,而充電電流可通過一個電阻器進行外部設置。當充申電流在達到最終浮充電壓之后降至設定值 1/10 時,TP4056 將自動終止充電循。
電池充電過程
管理芯片對電池的充電先進行恒流充電,后恒壓充電,1000mA充電電流/電壓曲線圖如下:


具體流程為:
(1)當電池電壓低于 3V時,管理芯片采用小電流對電池進行預充電。
(2)當電池電壓超過 3V 時,充電器采用恒流模式對電池充電,充電電流由 PROG電阻決定(1000mA為1.2K)。
(3)當電池電壓接近 4.2V 電壓時,充電電流逐漸減小,TP4056進入恒壓充電模式。
(4)當充電電流減小到充電結束闖值時,充電周期結束,CHRG 端輸出高阻態(紅色LED滅),STDBY 端輸出低電平(綠色LED亮)。
(5)當電池電壓降至4.05V(對應電池電量約為80~90%),管理芯片重新啟動充電循環。
tp4056充電電路圖


TP4056接收來自微USB端口的電源輸入,在經過整流濾波后將直流電壓輸出到芯片的正負極引腳(DP和DM)。此時,芯片會自動檢測輸入電流的大小,并根據1號或8號引腳所連接的電阻值設定相應的充電電流。同時,通過5號引腳將鋰電池連接到TP4056芯片上,使其開始充電。當充電完成時,PG引腳將輸出高電平表示充電完成,此時芯片也會停止充電。
在使用TP4056時,還需要注意一些細節問題。例如,在充電過程中,如果發現PG引腳一直輸出低電平,說明充電未開始或已經出現故障。此時需要檢查輸入電壓是否正常、芯片是否損壞等問題。
鋰電池充電電路圖分享(基于TP4056)

〈烜芯微/XXW〉專業制造二極管,三極管,MOS管,橋堆等,20年,工廠直銷省20%,上萬家電路電器生產企業選用,專業的工程師幫您穩定好每一批產品,如果您有遇到什么需要幫助解決的,可以直接聯系下方的聯系號碼或加QQ/微信,由我們的銷售經理給您精準的報價以及產品介紹

〈烜芯微/XXW〉專業制造二極管,三極管,MOS管,橋堆等,20年,工廠直銷省20%,上萬家電路電器生產企業選用,專業的工程師幫您穩定好每一批產品,如果您有遇到什么需要幫助解決的,可以直接聯系下方的聯系號碼或加QQ/微信,由我們的銷售經理給您精準的報價以及產品介紹
聯系號碼:18923864027(同微信)
QQ:709211280

