電源開發是個技術活,也是個累活,工作繁雜時難免會犯一些低級小錯誤。這些錯誤,會導致一系列的連鎖反應,需要采購部、生產部、PM、品管部、業務部、工程部等眾多部門來配合,以修正你的那個小錯誤。本文作者將為大家分享自己在十年研發電源工作中,積累的一些實用經驗,希望對大家有所幫助。
1.變壓器圖紙、PCB、原理圖這三者的變壓器飛線位號需一致,這是安規認證要求。很多工程師在申請安規認證提交資料時會犯這個錯誤。
2.X 電容的泄放電阻需放兩組。UL62368、CCC 認證要求斷開一組電阻再測試 X 電容的殘留電壓。這是很多新手會犯的一個錯誤,修正只能重新改 PCB Layout,浪費自己和采購打樣的時間。

3. 變壓器飛線的 PCB 孔徑需考慮到最大飛線直徑,必要時預留兩組一大一小的 PCB 孔,避免組裝困難或過爐空焊問題。安規申請認證通常會有一個系列,比如說 24W 申請一個系列,其中包含 4.2V-36V 電壓段,輸出低壓4.2V 大電流和高壓36V 小電流的飛線線徑是不一樣的。多根飛線直徑計算參考如下表格:

4. 輸出 DC 線材的 PCB 孔徑需考慮到最大線材直徑,避免組裝困難。因為你的 PCB 可能會用在不同電流段上,比如5V/8A 和 20V/2A 使用的線材是不一樣的。參考如下表格:

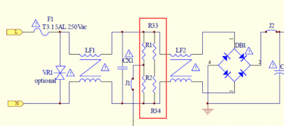
5. 電路調試,OCP 限流電阻多個并聯的阻值要設計成一樣,阻值越大的那顆電阻承受的功率越大。
6. 電路設計,散熱片引腳的孔做成長方形橢圓形 (經驗值:2*1mm),避免組裝困難。
橢圓形的孔方便散熱器有個移動的空間,這對組裝和過爐是非常有利。
7. 電路調試,異常測試時,輸出電壓或 OVP 設計要小于 60Vac (Vpk) /42.4Vdc (Vrms),這是安規要求。新手比較容易忽略,所以申請認證的產品一定要做 OVP 測試,抓輸出瞬間波形。
8. 電路設計,電解電容的防爆孔距離大于2mm,臥式彎腳留1.5mm。一般正規公司都有這個要求,防爆孔的問題日本比較重視,特殊情況除外。
9. 電路調試,輸出有 LC 濾波的電路需要老化確認紋波,如果紋波異常請調整環路。這一點很重要,我之前經常碰到這個問題,產線老化后測試紋波會變高,現象是環路震蕩。
10. 電路調試,二極管并聯時,應該測試一顆二極管故障開路時, 產生的異常 (包括 TO-220 里的兩顆二極管)。小公司一般都不會做這個動作的,一款優秀的產品是要經得起任何考驗的。
11. 電路設計,如果 PCB 空間充裕,請設計成通殺所有安規標準,以減少 PCB 修改次數。假設某一產品只符合 UL60335標準,如客戶希望滿足 UL1310,需要修改 PCB Layout 并拿去安規報備。如果一開始即符合各類標準,后面的工作會輕松很多。
12. 電路設計,ESD 設計成接觸±8KV/空氣±15KV 標準,減少后續整改次數。
像飛利浦這樣的客戶對 ESD 要求非常嚴的,聽說富士康的還需要達到±20KV,哪天有這種客戶要求,你又得忙一段時間了。
13. 電路設計,設計變壓器時,VCC 電壓在輕載電壓要大于 IC 的欠壓關斷電壓值。判斷空載 VCC 電壓需大于芯片關斷電壓的 5V 左右,同時確認滿載時不能大于芯片過壓保護值。
14. 電路設計,設計共用變壓器需考慮到使用最大輸出電壓時的 VCC 電壓,低溫時 VCC 有稍微 NOSIE 會碰觸 OVP 動作。如果你的產品9V-15V 是共用一個變壓器,請確認 VCC 電壓和功率管耐壓。
15. 電路調試,Rcs 與 Ccs 值不能過大,否則會造成 VDS 超過最大耐壓炸機。LEB 前沿消隱時間設短了,比尖峰脈沖的時間還短,那就沒有效果了還是會誤判;如果設長了,真正的過流來了起不到保護的作用。Rcs 與 Ccs 的 RC 值不可超過1NS 的 Delay,否則輸出短路時,Vds 會比滿載時還高,超過 MOSFET 最大耐壓就可能造成炸機。經驗值 1nS 的 Delay 約等于1;K 對100PF,也等于 100R 對102PF。
16. 畫小板時,在小板引腳的90度拐角處增加一個圓形鉆孔,方便組裝。如圖:


實物圖

實際組裝圖
這樣做可以使小板與 PCB 大板之間緊密貼合,不會有浮高現象。
17. 電路設計,肖特基的散熱片可以接到輸出正極線路,這樣鐵封的肖特基就不用絕緣墊和絕緣粒。
18. 電路調試,15W 以上功率的 RCD 吸收不要用 1N4007,因為 1N4007 速度慢 300uS,壓降也大1.3V,老化過程中溫度很高,容易失效造成炸機。
19. 電路調試,輸出濾波電容的耐壓致少需符合1.2倍余量,避勉量產有損壞現象。之前是犯了這個很低級的錯誤,14.5V 輸出用16V 耐壓電容,量產有1%的電容失效不良。
20. 電路設計,大電容或其它電容做成臥式時,底部如有跳線需放在負極電位,這樣跳線可以不用穿套管,節省成本。
21. 整流橋堆、二極管或肖特基,晶元大小元件承認書或在 BOM 表要有描述,如67mil(理由:管控供應商送貨一致性,避免供應商偷工減料,影響產品效率)。令人煩惱的就是供應商做手腳,導致一整批試產的產品過不了六級能效,原因就是肖特基內部晶元用小導致。
22. 電路設計,Snubber 電容,因為有異音問題,優先使用 Mylar 電容,這是處理異音的方法之一。
23. 電路設計,啟動電阻如果使用在整流前,要加串一顆幾百 K 的電阻。電阻短路時,不會造成 IC 和 MOSFET 損壞。

電路圖
24. 電路設計,高壓大電容并一顆103P 瓷片電容位置,理由:對輻射30-60MHz 都有一定的作用。空間允許的話,可以給 PCB Layout 留一個位置,方便 EMI 整改。
25. 在進行 EMS 項目測試時,需測試出產品的最大程序,直到產品損壞為止。例如 ESD 雷擊等,一定要打到產品損壞為止,并做好相關記錄,看產品余量有多少,做到心中有數。
26. 電路設計,異常測試時,短路開路某個元件如果還有輸出電壓則要進行 LPS 測試,過流點不能超過8A(超過 8A 是不能申請 LPS)。
27. 安規開殼樣機,所有可選插件元件要裝上供拍照用,L、N 線和 DC 線與 PCB 要點白膠固定。這個是經常犯的一個毛病,經常一股勁的把樣品送到第三方機構,后面來來回回改來改去的。
28. 電路調試,冷機時 PSR 需1.15倍電流能開機,SSR 需1.3倍電流能開機,避免老化后啟動不良。PSR 現在很多芯片都可以實現 “零恢復” OCP 電流,比如 ME8327N,具有 “零恢復” OCP 電流功能。
29. 電路設計,請注意使用的 Y 電容總容量,不能超過222P, 因為有漏電流的影響。針對不同安規,漏電流要求也不一樣,在設計時需特別留意。
30. 反激拓補結構,變壓器 B 值需小于3500高斯,如果變壓器飽和一切動作將會失控,如下左圖為正常,右圖為飽和。


變壓器的磁飽和一定要確認,重中之重,這是首條安全性能保障,包括過流點的磁飽和、開機瞬間的磁飽和、輸出短路的磁飽和、高溫下的磁飽和、高低壓的磁飽和。
電話:18923864027(同微信)
QQ:709211280
〈烜芯微/XXW〉專業制造二極管,三極管,MOS管,橋堆等,20年,工廠直銷省20%,上萬家電路電器生產企業選用,專業的工程師幫您穩定好每一批產品,如果您有遇到什么需要幫助解決的,可以直接聯系下方的聯系號碼或加QQ/微信,由我們的銷售經理給您精準的報價以及產品介紹

