先看下二極管伏安特性曲線原理
向左轉|向右轉


第一象限的正向特性:當正向電壓從零開始上升,在0.4V之前,二極管的正向電流很小。但從0.7V開始,電流迅速增加。第二象限的反向特性:反向電壓一直到達-40V時,反向電流也即反向漏電流近乎為零。說明二極管的正向電壓大于0.7V后,其等效電阻很小,這是二極管的正向特性;二極管的反向特性是反向電阻很大。
向左轉|向右轉


圖1中,二極管處于正向接法,它的管壓降是0.7V。因此,電阻R上的電壓為:那么流過電阻R的電流呢?再來看圖2:兩只二極管的正極都接到12V,因此兩只二極管都屬于正向接法。于是,D1二極管的正極應當是6+0.7V=6.7V,D2二極管的正極應當是2+0.7=2.7V。那么電路的輸出端電壓Usr到底是多少呢?假設Usc=6.7V,于是二極管D2將處于正向接法。又因為二極管D2的壓降是0.7V,因此二極管D2的正極將會被強制性地拉到2.7V。如此一來,二極管D1將處于反偏狀態,即D1的負極電壓比正極電壓高。注意:D2導通后,D1的正極變成2.7V,同時D1的負極是6V,因此D1被反向偏置而截止。也就是說,輸出電壓Usc被強制性地鉗位在2.7V。哪個電壓低,電路的輸出電壓就是低電壓再加上0.7V。
向左轉|向右轉


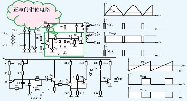
此圖是一套用于控制晶閘管觸發的電路。按圖示我們能看到用正與門構成的鉗位電路。三個輸入端分別是測控端電壓、PID控制和觸發脈沖電路。測控端電壓電路正常輸出是脈動直流,高電平的占空比較大;PID控制輸出也是高的電平,而觸發脈沖則輸出正負交替的高電平脈沖。可見,在正常情況下,與門的輸出由觸發脈沖來決定,畢竟零電平也是脈沖的一部分??梢姡Q位電路的應用還是很廣泛的。再談談穩壓二極管。上圖的測控端電壓電路:
向左轉|向右轉


設變壓器的初級電壓為380Vac,次級為24Vac,于是經過橋式整流后,其平均電壓為0.9X24=21.6V,屬于脈動直流。但實際計算時不能這樣算,必須用最大值來計算。
我們知道穩壓二極管工作在反向擊穿區,見第一幅圖的第三象限。它的曲線特點是:電流變化很大,但電壓變化很小,這就是它的穩壓原理。不過要注意:此時二極管處于反向接法,即穩壓二極管工作在反向電壓下。設,上圖中的穩壓二極管穩定電壓是12V,最大穩定電流是25毫安。我們先把電阻R2開路,來計算R1的值。故R1取值為820歐,功率為0.51W,取標稱值1W。此時穩壓二極管兩端的波形是什么樣的?就是波形圖中下部的綠色部分。在這里,穩壓二極管起到給半波直流波形削頭的作用?,F在,我們把R2接入,于是流過穩壓二極管的電流變小了。但只要流過穩壓二極管的電流仍然在它的穩定電流范圍之內,則穩壓二極管的穩壓作用就能維持。設穩壓二極管的最小穩定電流為5毫安,則流過R2和R3的電流為25-5=20毫安。故R2+R3的取值為:實際上,我們看到R2+R3的和只要不低于600歐即可,故R2+R3的實際值會大于計算值。具體取值與我們的解答無關,此處忽略。我們看到,晶體管T1的集電極也有一只穩壓二極管D2,它的用途同樣也是削幅,使得輸出到后級的脈沖幅度最高值就等于穩壓二極管的穩定電壓。
〈烜芯微/XXW〉專業制造二極管,三極管,MOS管,橋堆等20年,工廠直銷省20%,上萬家電路電器生產企業選用,專業的工程師幫您穩定好每一批產品,如果您有遇到什么需要幫助解決的,可以點擊右邊的工程師,或者點擊銷售經理給您精準的報價以及產品介紹
電話:18923864027(同微信)
QQ:709211280〈烜芯微/XXW〉專業制造二極管,三極管,MOS管,橋堆等20年,工廠直銷省20%,上萬家電路電器生產企業選用,專業的工程師幫您穩定好每一批產品,如果您有遇到什么需要幫助解決的,可以點擊右邊的工程師,或者點擊銷售經理給您精準的報價以及產品介紹

