帶通濾波器(band-pass filter)是指能通過某一頻率范圍內的頻率分量、但將其他范圍的頻率分量衰減到極低水平的濾波器。
1.帶通濾波器電路作用
帶通濾波器是一個允許特定頻段的波通過同時屏蔽其他頻段的設備。比如RLC振蕩回路就是一個模擬帶通濾波器。
帶通濾波器是指能通過某一頻率范圍內的頻率分量、但將其他范圍的頻率分量衰減到極低水平的濾波器,與帶阻濾波器的概念相對。一個模擬帶通濾波器的例子是電阻-電感-電容電路(RLC)。這些濾波器也可以用低通濾波器同高通濾波器組合來產生。
顧名思義,帶通濾波器可以理解成為一個電子接口單元,這個單元可以將特定頻率范圍內的信號傳輸過去,而阻斷這個頻率范圍以外的信號,達到選擇性傳輸的目的。
一個帶通濾波器是一個只有在特定頻段的頻率傳遞信號衰減這一頻段以外的所有信號的同時,其目的是的電路。在一個帶通濾波器的重要參數,高,低截止頻率( F H 和f 升),帶寬(BW),中心頻率 f C,中心頻率增益,選擇性或Q基本上有兩個帶通濾波器,即廣通帶和窄的帶通濾波器的類型號不幸的是,兩者之間的分線沒有設置。然而,一個帶通濾波器的定義是很寬的帶通圖的優點或品質因數Q值小于10,而與Q帶通濾波器> 10稱為窄的帶通濾波器。Q是一個選擇性的措施,這意味著更高的Q值更有選擇性的過濾器,或窄帶寬(BW)。Q,3dB帶寬,和中心頻率f之間的關系 c 是由方程對于一個寬的帶通濾波器的中心頻率可以被定義為其中f H 和f大號分別是一個狹窄的帶通濾波器,中心頻率f的輸出電壓峰彗星Hz.In的高,低截止頻率。
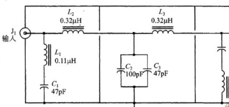
2.帶通濾波器電路圖

3.帶通濾波器電路原理
一個理想的帶通濾波器應該有一個完全平坦的通帶,在通帶內沒有放大或者衰減,并且在通帶之外所有頻率都被完全衰減掉,另外,通帶外的轉換在極小的頻率范圍完成。
實際上,并不存在理想的帶通濾波器。濾波器并不能夠將期望頻率范圍外的所有頻率完全衰減掉,尤其是在所要的通帶外還有一個被衰減但是沒有被隔離的范圍。這通常稱為濾波器的滾降現象,并且使用每十倍頻的衰減幅度的dB數來表示。通常,濾波器的設計盡量保證滾降范圍越窄越好,這樣濾波器的性能就與設計更加接近。然而,隨著滾降范圍越來越小,通帶就變得不再平坦,開始出現“波紋”。這種現象在通帶的邊緣處尤其明顯,這種效應稱為吉布斯現象。
除了電子學和信號處理領域之外,帶通濾波器應用的一個例子是在大氣科學領域,很常見的例子是使用帶通濾波器過濾最近3到10天時間范圍內的天氣數據,這樣在數據域中就只保留了作為擾動的氣旋。
在頻帶較低的剪切頻率f1和較高的剪切頻率f2之間是共振頻率,這里濾波器的增益最大,濾波器的帶寬就是f2和f1之間的差值。
帶通濾波器是指能通過某一頻率范圍內的頻率分量、但將其他范圍的頻率分量衰減到極低水平的濾波器,與帶阻濾波器的概念相對。一個模擬帶通濾波器的例子是電阻-電感-電容電路(RLC)。這些濾波器也可以用低通濾波器同高通濾波器組合來產生。
烜芯微專業制造二極管,三極管,MOS管,橋堆等20年,工廠直銷省20%,4000家電路電器生產企業選用,專業的工程師幫您穩定好每一批產品,如果您有遇到什么需要幫助解決的,可以點擊右邊的工程師,或者點擊銷售經理給您精準的報價以及產品介紹
烜芯微專業制造二極管,三極管,MOS管,橋堆等20年,工廠直銷省20%,4000家電路電器生產企業選用,專業的工程師幫您穩定好每一批產品,如果您有遇到什么需要幫助解決的,可以點擊右邊的工程師,或者點擊銷售經理給您精準的報價以及產品介紹

