基本放大電路是電路的一種,可以應用在電路施工中。基本放大電路輸入電阻很低,一般只有幾歐到幾十歐,但其輸出電阻卻很高。
基本直放大電路既可以放大交流信號,也可放大直流信號和變化非常緩慢的信號,且信號傳輸效率高,具有結構簡單、便于集成化等優點,集成電路中多采用這種耦合方式。
放大的概念
放大的前提是不失真,即只有在不失真的情況下放大才有意義。晶體管和場效應管是放大電路的核心元件。
任何穩態信號都可以分解為若干頻率正弦信號的疊加,所以放大電路以正弦波為測試信號。
基本共射放大電路的工作原理
(1)設置靜態工作點的必要性
靜態工作點——I、I、U
原因
不設置靜態工作點會使輸出電壓嚴重失真,輸出電壓也毫無變化。
Q點不僅會影響電路是否會產生是真,還會影響著放大電路幾乎所有的動態系數。
(2)工作原理及波形分析
所以選擇合適的靜態工作點才不會使輸出波形產生非線性失真。基本共射放大電路的電壓放大作用是利用晶體管的電流放大作用,并依靠Rc將電流的變化轉化成電壓的變化來實現。
放大電路的組成原則
(1)組成原則
必須根據所用放大管的類型提供直流電源,以便設置合適的靜態工作點并做為輸出的能源。
電阻取值適當,與電源配合,使放大管有合適的靜態工作電流。
輸入信號必須能夠作用于放大管的輸入回路。
當負載接入時,必須保證放大管輸出回路的動態電流能夠作用于負載,從而使負載獲得比輸入信號大得多的信號電流或信號電壓。
(2)常見的兩種共射放大電路




直接耦合共射放大電路
電路中信號源與放大電路,放大電路與負載電阻均直接相連,故稱其為“直接耦合”。
阻容耦合共射放大電路
由于C1用于連接信號源與放大電路,電容C2用于連接放大電路與負載,在電子電路中起連接作用的電容就稱為耦合阻容。
放大電路的分析方法
(1)直流通路與交流通路
直流通路——研究靜態工作點:電容視為開路;電感線圈視為短路;信號源視為短路,但要保留其內阻。
交流通路——研究動態參數:容量大的電容(如耦合電容)視為短路;無內阻的直流電源(如+Vcc)視為短路。
(2)圖解法——多分析Q點位置、最大不失真電壓和失真情況




(3)等效電路法
晶體管的直流模型及靜態工作點的估算法
晶體管共射h參數等效模型——只能用于放大電路動態小信號參數的分析


共射h參數等效模型


(4)靜態工作點穩定的必要性
影響Q點不穩定的因素中溫度對晶體管參數的影響最大
穩定靜態工作點的措施——利用負反饋或溫度補償
晶體管單管放大電路的接法特點
接法的判斷:輸入電壓和輸出電壓的公共端


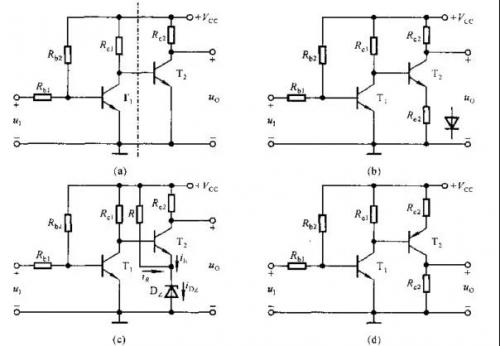
多級放大電路的分析方法
(1)三種:直接耦合、阻容耦合、變壓耦合
直接耦合
前一級的輸出端直接連接到后一級的輸入端


直接耦合多級放大電路常采用的是NPN和PNP型管混合使用的方法,在圖(d)中,為使T2工作在放大區,T2管的集電極電位應該低于T1管的集電極電位。
優點:具有良好的低頻特性,可以放大變化緩慢的信號;沒有大容量的電容,便于集成。
缺點:靜態工作點相互影響,帶來一定困難;有零點漂移現象。
【附加】零點漂移:輸入電壓為零時而輸出電壓不為零且有緩慢變化。溫度是主要原因,故又稱其為溫度漂移。
阻容耦合
前一級的輸出端通過電容連接到后一級的輸入端


優點:各級靜態工作點相互獨立;適合于信號頻率較高的電路。
缺點:低頻性能差,不能放大變化緩慢的信號,不易于集成。
變壓器耦合
將前一級的輸出端通過變壓器接入到后一級的輸入端或負載電阻上。
優點:各級靜態工作點相互獨立,可實現阻抗變換。
缺點:低頻性能差,不能放大變化緩慢的信號,不易于集成。
(2)多級放大電路的動態分析


上式即為多級放大電路的電壓放大倍數
輸入電阻為第一級的輸入電阻:Ri=Ri1
輸出電阻為最后一級的輸出電阻:Ro=Ron
當共集放大電路做為第一級時,它的輸入電阻與其負載,即第二級的輸入電阻有關;當共集放大電路作為最后一級時,它的輸出電阻與其信號源內阻,即倒數第二級的輸出電阻有關。
當多級放大電路的輸出波形產生失真時,首先確定是哪一級失真,再判斷是飽和失真還是截止失真。
烜芯微專業制造二極管,三極管,MOS管,橋堆等20年,工廠直銷省20%,4000家電路電器生產企業選用,專業的工程師幫您穩定好每一批產品,如果您有遇到什么需要幫助解決的,可以點擊右邊的工程師,或者點擊銷售經理給您精準的報價以及產品介紹
烜芯微專業制造二極管,三極管,MOS管,橋堆等20年,工廠直銷省20%,4000家電路電器生產企業選用,專業的工程師幫您穩定好每一批產品,如果您有遇到什么需要幫助解決的,可以點擊右邊的工程師,或者點擊銷售經理給您精準的報價以及產品介紹

