臺式電源(PS)往往有偶數個端口(忽略機箱端口):一個正端口和一個負端口。使用臺式電源產生正極性輸出很容易:將負輸出設置為GND,將正輸出電壓設置為正輸出。產生負電源同樣容易,只需將上述設置反轉。但是,如何生產雙極性電源,負載可以同時使用正電壓和負電壓?相對而言,這也很簡單——只需將一個實驗室通道的正端口連接到另一個通道的負端口,并稱其為GND。另外兩個端口(正和負)分別就是正負電源。結果得到一個三端口雙極性電源,提供GND、正和負電壓電平。由于使用了三個端口,因此在電源下游的正電源和負電源之間必須進行某種切換。
如果應用要求同一電源端口為正或負(僅向負載提供兩個端口的設置),該怎么辦?這不是一個純學術問題。在汽車和工業環境中,有些應用需要雙極性、可調節的雙端口電源。例如,從具異國風情的玻璃貼膜到測試測量設備,這些應用會使用雙端口雙極性電源。
如前所述,傳統雙極性電源使用三個輸出端口產生兩路輸出:正、負和GND。相比之下,單路輸出電源應僅配備兩個輸出端口:一個GND和另一個可以為正也可以為負的輸出端口。在此類應用中,輸出電壓可以通過單個控制信號在從最小負值到最大正值的全部范圍內相對于GND調節。
有些控制器專門用于實現雙極性電源功能,例如雙極性輸出同步控制器LT8714。然而,對于許多汽車和工業制造商而言,對專用IC進行測試和認證需要一些時間和金錢上的投入。相比之下,許多制造商已經擁有預認證的降壓轉換器和控制器,因為無數汽車和工業應用中都會用到這些器件。本文介紹在不能選擇專用雙極性電源IC時如何利用降壓轉換器產生雙極性電源。
電路描述及功能
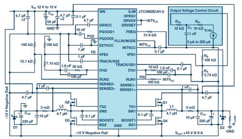
圖1顯示了基于降壓轉換器的雙極性(二象限)可調電源解決方案。輸入電壓范圍為12V至15V;輸出為±10V范圍內的任何電壓,由控制塊調節,支持高達6A的負載。雙路輸出降壓控制器IC是此設計的核心器件。每個降壓-升壓拓撲連接的一路輸出產生穩定的-12V電壓(即圖1中的-12V負軌,其功率鏈路包括L2、Q2、Q3和輸出濾波器CO2)。
-12V電壓軌用作第二通道的接地,控制器的接地引腳也連接到-12V電壓軌。總的來說,這是一個降壓轉換器,其輸入電壓為-12V和VIN之間的差值。輸出可調,相對于GND可正可負。請注意,相對于-12V電壓軌,輸出始終為正,其功率鏈路包括L1、Q1、Q4和CO1。反饋電阻分壓器RB-RA設置最大輸出電壓。該分壓器的值由輸出電壓控制電路調節,此電路可通過向RA注入電流來將輸出調節至最小輸出電壓(負輸出)。應用啟動特性由RUN和TRACK/SS引腳的端接電阻設置。
兩路輸出均在強制連續導通模式下工作。在輸出控制電路中,0μA至200μA電流源ICTRL在實驗室測試時連接到負軌,但也可以GND為基準。低通濾波器RF1-CF可降低快速輸出瞬變。為了縮減轉換器的成本和尺寸,使用相對便宜的極化電容形成輸出濾波器。可選二極管D1和D2用于防止這些電容上產生反向電壓,尤其是在啟動時。如果僅使用陶瓷電容,則不需要二極管。
轉換器測試和評估
本解決方案基于LTC3892和評估套件DC1998A與DC2493A進行過測試和評估。該轉換器在眾多測試中表現良好,包括電壓和負載調整、瞬態響應以及輸出短路。圖2顯示了啟動至6A負載、輸出為+10V的情況。控制電流和輸出電壓之間的函數線性度如圖3所示。隨著控制電流從0μA增加到200μA,輸出電壓從+10V降至-10V。圖4顯示了效率曲線。


圖1.兩端子、雙極性、可調節電源的電氣原理圖


圖2.進入電阻負載的啟動波形


圖3.VOUT與控制電流ICTRL的關系。當ICTRL從0A增加到200μA時,輸出電壓從+10V降至-10V。


圖4.正負輸出的效率曲線
我們開發了該雙極性、雙端子電源的LTspice®模型,以簡化該方法的采用,允許設計人員分析和仿真上述電路,引入變化,查看波形,以及研究器件應力。
描述此拓撲的基本公式和表達式
這種方法基于設計的降壓-升壓部分產生的負電壓軌VNEG。
VNEG=VOUT+VOUT×Km(1)
其中,VOUT為最大輸出電壓的絕對值,Km為0.1到0.3的系數。Km限制降壓轉換器的最小占空比。VNEG還設置VIN的最小值:
VIN≥|VNEG|(2)
VBUCK=|VNEG|+VIN
其中VBUCK為降壓部分的輸入電壓,因而表示轉換器半導體器件上的最大電壓應力:
VBUCK(MAX)=|VNEG|+VOUT(3)
VBUCK(MIN)=|VNEG|–VOUT
VBUCK(MAX)和VBUCK(MIN)分別為該拓撲的降壓部分的最大和最小電壓。降壓部分的最大和最小占空比以及電感電流可用以下表達式描述,其中IOUT為輸出電流:
DBUCK(MAX)=VBUCK(MAX)/VBUCK(4)
DBUCK(MIN)=VBUCK(MIN)/VBUCK
LBB=IOUT+Δ/1
電源降壓-升壓部分的占空比:
DBB=|VNEG|/(VIN+|VNEG|)(5)
降壓部分的輸入功率以及相應的降壓-升壓輸出功率:
POUT(BB)=(VOUT×IOUT)/η(6)
轉換器功率和輸入電流:
IOUT(BB)=POUT(BB)/|VNEG|(7)
IL(BB)=IOUT(BB)/(1–DBB)+Δ/2
輸出電壓變化是通過將電流注入降壓部分的反饋電阻分壓器來實現的。圖1的輸出電壓控制電路部分顯示了如何設置輸出電壓控制。
如果給定RB,那么
PBB=POUT(BB)/η(8)
IBB=PBB/VIN
其中VFB為反饋引腳電壓。
當電流源ICTRL將零電流注入RA時,降壓轉換器的輸出電壓是相對于負軌的最大正值(VBUCK(MAX))和相對于GND的最大輸出電壓(+VOUT)。為了給負載產生負輸出電壓(相對于GND),須將ΔI注入降壓分壓器的電阻RA,使輸出電壓降至相對于負輸出電壓(-VOUT)的最小值VBUCK(MIN)。
數值示例
通過使用前面的公式,我們可以計算雙極性電源的電壓應力、流過功率鏈路器件的電流以及控制電路的參數。例如,以下計算是針對一個從14V輸入電壓產生6A、±10V輸出的電源。
如果Km為0.2,則VNEG=-12V。驗證最小輸入電壓VIN≥|VNEG|的條件。半導體器件VBUCK上的電壓應力為26V。
降壓部分的最大電壓為VBUCK(MAX)=22V,相對于負電壓軌;輸出電壓設置為+10V,相對于GND。最小電壓VBUCK(MIN)=2V,對應于-10V(相對于GND)的輸出電壓。這些最大和最小電壓對應于最大和最小占空比,DBUCK(MAX)=0.846,DBUCK(MIN)=0.077,DBB=0.462。
功率可通過假設效率為90%來計算,產生POUT(BB)=66.67W,IOUT(BB)=5.56A,IL(BB)=10.37A,PBB=74.074W。
對于+10V的輸出電壓(根據圖1),控制電路電流ΔI為0μA,而對于-10V的輸出電壓,ΔI=200μA。
結論
本文介紹了一種雙極性、雙端子電源設計。這里討論的方法基于降壓轉換器拓撲結構,它是現代電源電子的主力技術,因此能以各種形式提供,從帶外部器件的簡單控制器到完整模塊應有盡有。采用降壓拓撲結構可以賦予設計人員靈活性,并且可以選擇使用預認證器件,從而節省時間和成本。
烜芯微專業制造二極管,三極管,MOS管,橋堆等20年,工廠直銷省20%,4000家電路電器生產企業選用,專業的工程師幫您穩定好每一批產品,如果您有遇到什么需要幫助解決的,可以點擊右邊的工程師,或者點擊銷售經理給您精準的報價以及產品介紹
烜芯微專業制造二極管,三極管,MOS管,橋堆等20年,工廠直銷省20%,4000家電路電器生產企業選用,專業的工程師幫您穩定好每一批產品,如果您有遇到什么需要幫助解決的,可以點擊右邊的工程師,或者點擊銷售經理給您精準的報價以及產品介紹

