MOS管二級效應及其小信號等效
二級效應
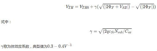
體效應
由于源極和襯底之間存在電壓差,是的器件的電流方程偏離上述公式。主要是由于當源極與襯底存在壓差時,閾值電壓會發生變化,具體可參考劉恩科等著《半導體物理》第七版第八章MOS結構的介紹。考慮體效應后閾值電壓變化為:

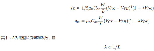
溝道長度調制
溝道長度調制與前述的Leff和LDrawn的差異不同,前者是由于電流達到飽和后,在Leff中的導電粒子實際占據的溝道長度,當VGS增大,Leff會進一步減小,后者是由于工藝的設計以及電子的熱運動特性所引起的理想與實際的長度差異,器件一旦生產就已經固定。
考慮溝道長度調制效應后的飽和電流方程為:

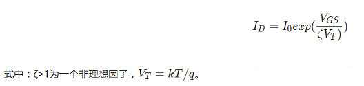
亞閾值導電
前面討論的電流方程都是在VGS-VTH > 0的情況下,實際上當VGS ≈ VTH時一個弱的反型層仍然存在,甚至VGS < VTH時ID也不是無限小,而是與VGS呈現指數關系,該效應就稱之為亞閾值導電,且有:

亞閾值導電由于其指數級的增長方式,會使得器件會有較大的增益,然而由于其電流較小,使得電路的速度時極其有限的。
MOS管的小信號等效:
前述我們介紹了電路的大信號模型即直流信號模型,但是實際的應用中信號往往表現出交流小信號的特性,其幅值遠小于直流信號,在電路中我們通常會考慮電路的交流放大情況,這使得需要在前述大信號的基礎上對交流小信號進行分析。
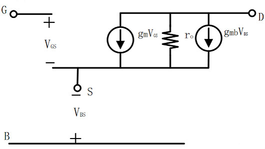
所謂小信號模型,是指電路中各個管子都正常工作在指定的區域(通常為飽和區)的情況下,施加一個低頻的小信號增量考慮管子漏源之間的電流變化情況。由于漏電流是柵源之間的電壓的函數,可以通過一個壓控電流源來進行小信號等效。
1.不考慮二級效應時,等效模型如下,gm是柵源電壓轉換為電流的能力,也就是我們前面提到的跨導。

2.考慮溝長調制效應時,漏電流隨漏源電壓變化而變化,因此,將其等效為一個由$V_{DS}$控制的壓控電流源,如下圖(a)同時可以觀察到$V_{DS}$施加在電流源的兩端,且其電流大小隨$V_{DS}$線性增加,實際上滿足線性電阻的性質,故也可將其等效為一個線性電阻$r_o$,如圖(b)

3. 考慮襯底偏置效應(體效應) 前面我們提到,MOSFET是一個四端器件,通常將襯底和源極相連作為三端器件使用,但是考慮體效應時,$V_{BS}$會對漏電流產生影響,廣義上來看,襯底起到了MOSFET另一個柵的作用,類似的用一個壓控電流源對其產生的影響進行模擬,其等效模型如下圖:

通過類比跨導的定義,可以得到:

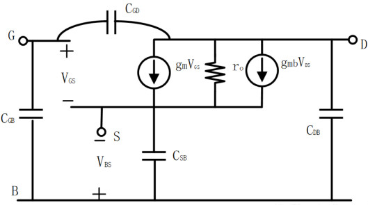
應當注意到的是,前述模型均考慮的是低頻小信號模型,在高頻信號下,還應當考慮MOS管的寄生電容,但是在一般的如放大器的設計中,上述模型已經足夠,考慮電容后完整的小信號模型為:

烜芯微專業制造二極管,三極管,MOS管,橋堆等20年,工廠直銷省20%,4000家電路電器生產企業選用,專業的工程師幫您穩定好每一批產品,如果您有遇到什么需要幫助解決的,可以點擊右邊的工程師,或者點擊銷售經理給您精準的報價以及產品介紹

